Sloup v.1.02

Profesionální nástroj pro automatizovanou tvorbu výrobní výkresové dokumentace především prefabrikovaných sloupů. Program komplexně řeší sloupy obdélníkového průřezu s různými variantami úpravy zhlaví a paty sloupu. Lze generovat sloupy osazované do kalichu nebo sloupy stykované navařením přes trny. Jsou nabízeny různé způsoby vyztužení průřezu.

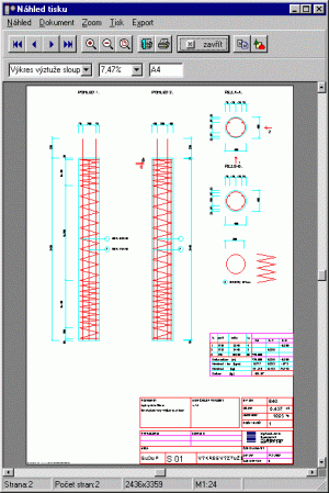
Program vygeneruje všechny potřebné výkresy: tvar, armaturu a případně stykovací kování. Výkres tvaru obsahuje kromě pohledů na sloup také ostatní nezbytné prvky sloupu: manipulační prostředky (transportankery), montážní otvory a zabudovaná kování (plotny). Přehledné ovládání je doplněné grafickým zobrazením zadávaných dat.

Použití automatizovaného řešení tvorby výrobní dokumentace přináší řadu výhod:

Sloup LT

Zjednodušená "light" verze programu nemá aplikovány následující funkce:

Sloup K v.1.0

Upravená verze programu Sloup pro kreslení kruhových sloupů. Umožňuje kreslit sloup kruhového průřezu, varianty zhlaví jsou shodné se základní verzí, tedy vytažená výztuž, trny nebo bez ničeho. Pata je omezena pouze na provedení do kalichu nebo na bodku (trubka).

Součástí programu je pomůcka pro určení polohy vyčnívající výztuže (rozteče trnů) ve vztahu ke krytí výztuže a odsazení bodky.

Výztuž sloupu šesti nebo osmi pruty rozdělenými po obvodu. Třmínky lze zadávat buď jednotlivé (obruče) nebo jako spirálu (šroubovice).

U kruhových sloupů nejsou aplikovány plotny.

Demo

Demoverze jsou ke stažení zde. Funkčně jsou shodné s verzí Sloup LT, Sloup K s následujícími omezeními:

Technické parametry: